SET zárubně "DF"montáž na zeď nebo pevné sklo
Kód: ZAR.DF-G-SET
Popis:
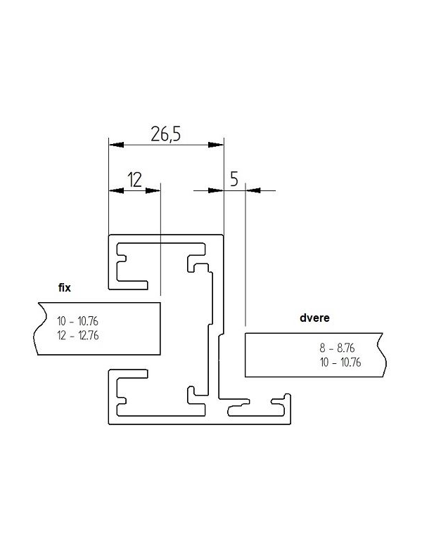
Zárubeň pro dveře o tloušťce skla 8-10mm, montáž na stěnu nebo pevné sklo o tloušťce 10 -12mm, SET OBSAHUJE : zárubeň o délce 5 400 mm, falcové těsnění, spojovací sada na dvoupantovou zárubeň, kompletní řezání a frézování zárubně DF V případě montáže do pevného skla nutno doobjednat Rámové těsnění pro zárub. plech pro uchycení zárubně do podlahy…
Více
Více
Povrchové úpravy
118 kB / PDF
Podobné produkty
Akce
-40 %
Zaoblený zámek s uzamykáním na FAB + klika
Kód: 20.206+22.100
Stříbrný eloxovaný hliník
Původní cena
4232.43 Kč
2539.46 Kč
Na objednávku
Akce
-40 %
Kotvící plech
Kód: ZAR.DF-G-KP
Broušený antikor
Původní cena
200.12 Kč
120.07 Kč
Na objednávku


Černá prášková barva
Stříbrný eloxovaný hliník
Imitace nerezu
MIMORIADNA PONUKA